The Timex/Sinclair went from product announcement to in stores in just under a year. And then Timex left the market. A few examples of computers released during this timeline are included for context.
July 1982

Epson HX-20 Released
The HX-20 was an early laptop computer released by Seiko Epson in July 1982. Its size is referenced in one of Gary Grimes’ TS 2000 sketches.
November 1982

ZX Spectrum Source Obtained
Timex received the source code for the Sinclair ZX Spectrum and loaded it into their development system.
January 1983
Scott McCourt, Dave Boyle, Lon Hildreth, Will Collum, and Gary Grimes join Timex
Scott McCourt, manager of system software, joined Timex from Burroughs. Dave, Lon, and Will, who worked together on an all-on-one office system at Burroughs, join Timex as software engineers. Gary Grimes, an industrial designer, immediately begins work on the design for what will become the Timex/Sinclair 2068.
January 6, 1983

TS 2000 Series Announced
Timex announced their intention to produce their own version of the ZX Spectrum, the TS 2000, at the Winter 1983 Consumer Electronics Show.
January 21, 1983

Gary Grimes Completes New Design
Industrial designer Gary Grimes was tasked with designing the case and cartridges for the new 2000 series.
March 1983
May 1983
Mike Branigin, Daniel Chen join Timex
Mike Branigin, manager of computer hardware engineering, joined Timex from Sperry Univac. Daniel Chen, a senior project engineer, is yet another staffer to join from Texas Instruments. Branigin and Carol Corcoran would author the Technical Manual for the 2068 in 1984.
May 1983
Timex Sinclair 2000 Third Party Software Guide
This document helped Spectrum programmers and US developers prepare for the 2000 and gave info for new development. It was a little preliminary: not all things described in it made it into the 2068.
May 9, 1983
TS2000 System Software Design Specification
Dave Boyle, Will Collum and Lon Hildreth author the document that describes the operating system for the TS 2000.
May 17, 1983

TS 2000 Improvement Announced
Timex announced it has enhanced the Timex Sinclair 2000 series by expanding the memory capacity, increasing the number of characters that can be displayed adding a “soft-touch” keyword data entry capability, while keeping the suggested retail price under $200. They also shared product art for the two computers.
June 1983
TS 2000 Features Defined
Timex announced the following feature set for the TS 2000 computers:
- cartridge interface*
- 42 keys
- two separate program selectable 32 by 24 character line displays
- 64 by 24 character line display mode
- 256 X 192 regular resolution
- 512 by 192 high resolution mode*
- 4 sound channels*
- 2 joystick ports*
*These features are unique to the TS2000 computers, they are not in original Spectrum.
June 1983
TS 2000 System Software Readies for Release
Two internal Timex documents show that the TS 2000 software is being prepared for release to the ROM manufacturer. The TS 2000 System Software Engineering Release is a schedule of code finalization for the 2000 OS;
the TS 2000 System Software Software Test Schedule is a parallel document for testing the functions of the OS.
June 1983

Memotech MTX500 Released
Originally a manufacturer of memory and other add-ons for Sinclair and Timex computers, Memotech developed their own competing computer when it was perceived the expansion pack business would no longer be viable.
June 5, 1983
TS 1500 and 2000 at Summer CES
Timex shows production prototype at the Summer Consumer Electronics Show.
According to Lon Hildreth: “… everyone [was] working towards this common goal of getting to CES and, of course, the hardware wasn’t ready. When CES came around we had the keyboard. As far as the board goes that was breadboards. So for CES, they had three machines running with breadboard underneath the table.”
June 15, 1983
Sue Mahoney Gives Update to Boston Computer Society
The TS-1500 and the TS-2000 series would be shipped to the distributors in August. The TS-1500 is an upgraded version of the TS-1000. It has movable keys and 16K of built-in RAM memory. The TS-2000 is now called the TS-2068.
June 20, 1983

Radio Shack Announces MC-10
The TRS-80 Model MC-10 Micro Color Computer, retailing for $119.95, was available in all Radio Shack retail stores. The 4K computer was more like a color T/S 1000 than a true competitor to the T/S 2000.
July 1983
Test Spec for BEU Extensions Prepared
Lon Hildreth is working on the OS 5.0 Test Spec. This specification documented testing the initialization and features of the TS 2000 when connected to a Bus Expansion Unit.
August 1983

Work Continues as TS2068 is Shipped to Distributors
Lon wrote tool on the Timex VAX minicomputer to assist in making cartridges.
Scott McCourt sent a memo to Lou Galie about a bug in the Function Dispatcher (a set of jump points to facilitate software compatibility across ROM versions). The Function Dispatcher could not be called by machine code running from the Dock Bank (a cartridge).
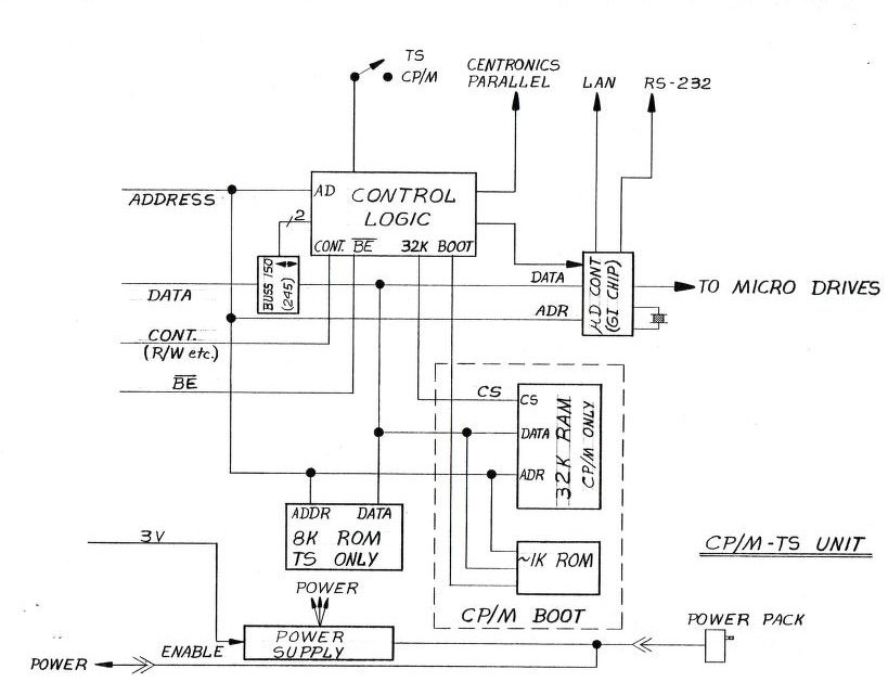
September 1983

CP/M Development, Bug Fixes
Lon working on CP/M on the Microdrive (through the rest of the year).
Carol Corcoran’s proposal on how to implement bug fixes and enhancements by using the extra space in the “ROM Extension”. This assumed a total of 32K ROM: 16K Home and 16K Extension.
Memo from Carol Corcoran to Scott McCourt describing a schedule for testing bug fixes. Goal was to test fixes in October with the aim of a final ROM version by Nov 1, for a proposed mid-November release to the ROM vendor.
October 1983

Timex Selects Microdrives
Memo from Scott McCourt with Timex Microdrive Operating System (TMOS) Functional Specification. The memo “… reflects the shift in priorities from floppy disk to microdrive based product (including support for the RS-232 channel and local network)”.
October 1983

Coleco Adam Released
The ADAM was was released in October 1983 with the initial price of $700. It featured 64K of RAM, a digital tape drive, and printer.
According to Lon, “we got the Coleco Adam when it was released. Someone at Timex got hold of it and there was a big crowd around it to see what what our competition was doing.”
October 26, 1983

Dan Ross Presents the 1500 and 2068
In partnership with the Boston Computing Society, Dan Ross and Billy Skyrme presented the new Timex/Sinclair 2068 and the already-launched T/S 1500.
November 1983
Timex Sinclair 2068 In Stores
The computer is delivered just in time for Christmas sales.
November 1983

CP/M Development Moves Forward
Lon Hildreth visits Digital Research in Monterey, CA. He is supposed to receive BDOS source and BIOS sample from Digital Research. Initially projected to have CP/M complete by January 31, 1984. Later revised (due to delay in receiving necessary code from DRI) to March 30.
November 14, 1983

Dan Ross Demos 2068 for Infoworld
Ross, vice-president of Timex Computer Corporation, demonstrated some impressive software on the 2068, including a flight simulator, a three-dimensional graphics editor and a computerized Scrabble game.
November 23, 1983

64 Column Mode, Technical Memos
Carol Cororan delivers the 64 column mode code in the Application Development Library 64 Column Mode (11/23/83).
Technical Memo #0004, TS2068 I/O Port Map, and Technical Memo #0005, TS2068 Advanced Video Modes, delivered.
January 24, 1984

TS2060 Bus Expansion Unit Product Specification
This internal document, marked Preliminary, “describes the TS2060 Interface Unit, Drives, and associated Software. The functional, physical, electrical, and environmental characteristics are specified. A description of the operation of the TS2068 system with this unit is included.”
February 22, 1984
Timex Leaves Computer Market
New York Times
“The Timex Corporation, after watching sales of its inexpensive home computers dwindle to virtually nothing over the last year, officially abandoned its efforts yesterday, saying it had determined it could not make a ‘reasonable profit’ on the machines.”
The announcement marks the end of Timex Computer Corporation. Some support is continued for a few months after.



