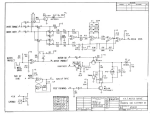
A&J Microdrive Schematics View on archive.org Publisher: A&J Micro Drive Pages: 2 Date: 1982 Technical circuit schematic for A&J Microdrive Schematics. Document Related Content A&J Micro Drive (product) Heading Image Gallery Tags Documentation A & J Micro Drive TS 1000 People No people associated with this content.